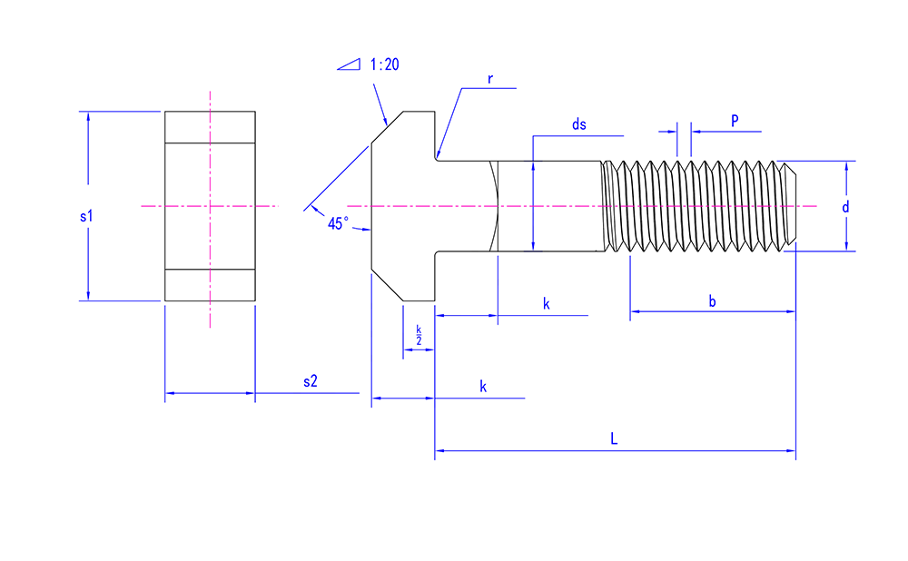
DIN186 Vijci s T-glavom od nehrđajućeg čelika i s četvrtastim vratom
| Značajke glave | T-tip glave protiv rotacije četvrtastog vrata |
| Značajke šipke | Dvostruka zaštita od rotacije |
| Osnovna svrha | Sprječava rotaciju, povećava stabilnost |
| Prednosti i značajke | Dizajn četvrtastog vrata sprječava rotaciju vijaka, pogodan za pričvršćivanje za teška opterećenja |
| Tipične namjene | Spriječite rotaciju, veze s velikim opterećenjem, kao što su velika oprema, teški strojevi. |
| Ključni pokazatelji za odabir | Oblik T-glave, kvadratna veličina vrata, duljina vijka, promjer, duljina navoja, materijal. |
| Zahtjevi specifični za industriju | Teški strojevi: pogodni za opremu s velikim opterećenjem i potrebom za sprječavanjem rotacije vijaka. Automobilska industrija: koristi se za spojeve visoke čvrstoće koji sprječavaju rotaciju vijaka. |

















